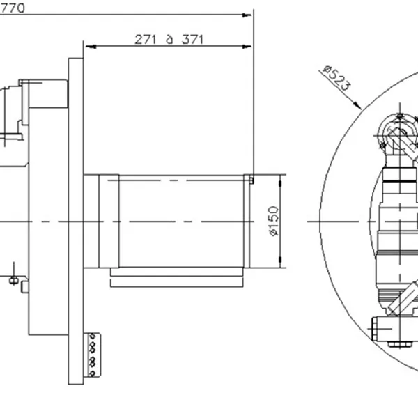
Protem US150 Beveler with Twin Hydraulic Drive - 150mm to 508mm
New In Stock Now
This equipment is available for delivery to United States
- The machining capacity of the US150 is 150 mm (5.905') ID to max. 508mm (20') OD. The Protem US150 is a powerful, robust,
- reliable and versatile portable tube and pipe beveling and facing machine.
Lead Times
All used machines are serviced/refurbished to order, and lead times are dependant on current workload and machine type. The below can be used as a guide only, and is subject to change. If you have a deadline you need the equipment by, please contact us prior to ordering. We will always do what we can to try and work with your timescales where possible.
- “Sold As Seen” machines: 2-3 working days.
- “Serviced” machines: 7 working days.
- “Refurbished” machines: 2-3 weeks.
- “New” machines: subject to stock and supplier lead times where applicable.
Shipping
All shipping costs include packing.
UK*
- Parcel delivery: from £15 next day courier
- Pallet delivery: from £75
- Large item delivery: TBC by quotation
Northern Ireland
- Pallet delivery: £120
- Parcel and large item delivery: TBC on quotation
Ireland
- Pallet delivery: £220
- Parcel and large item delivery: TBC by quotation
Europe and Overseas
All welding equipment and machinery is sold and supplied Ex-Works, unless otherwise stated. We can however provide full freight forwarding facilities via road, sea or air freight. We work with our reliable shipping partners for one off items, up to the loading of 40ft containers. For a quotation, please contact us with your destination address/port, along with any other specific documentation requirements.
* Rates for mainland UK, subject to change. If in doubt, please send us your delivery postcode for confirmation




